Chercheur au laboratoire G-SCOP et enseignant à l’IUT GMP, Nicolas Béraud a participé au développement d’une bulle de confinement de la sphère ORL pour le transport par hélicoptère de patients atteints de Covid-19.
La nécessité de transférer par hélicoptère des patients atteints de Covid-19 a mis le SAMU 38 face au problème du confinement du malade dans la cabine. Pour concevoir un système à la fois moins contraignant et plus hygiénique que les solutions existantes, le SAMU 38 a fait appel aux compétences des laboratoires grenoblois.
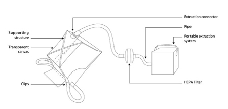
Un groupe d’enseignants-chercheurs, de doctorants et de bénévoles issus l’UGA, du pôle S.mart Grenoble Alpes, des laboratoires G-SCOP, TIMC et HP2 (Laboratoire Hypoxie et Physiopathologies) a relevé le défi et conçu un système de confinement de la sphère ORL spécialement adapté à cette utilisation. « Après avoir visité la cabine de l’hélicoptère présentant l’espace le plus restreint, nous avons conçu une bulle en PVC associée à un système d’aspiration de l’air par une pompe, » explique Nicolas Béraud. « Il aura fallu plusieurs itérations pour trouver le bon compromis entre la puissance d’aspiration et le degré d’étanchéité nécessaire de la bulle, afin que tout l’air sortant soit pompé et filtré. »

Ils ont finalement arrêté le design définitif de la bulle qu’ils ont publié en open source, mais également choisi et dimensionné la pompe ainsi que les batteries (assurant une autonomie suffisante pour un transfert de chambre à chambre) et le packaging de l’ensemble. Quelques prototypes ont été produits pour servir aux études cliniques à venir. Plusieurs hôpitaux en France et à l’étranger se sont montrés intéressés.