En poursuivant votre navigation sur ce site, vous acceptez l'utilisation de cookies pour vous proposer des contenus et services adaptés à vos centres d'intérêts. En savoir plus et gérer ces paramètres. OK X
 
 

 

 

Nouveaux produits

La programmation d’un système de vision particulièrement simplifiée.

Publication: Septembre 2014

Partagez sur
 
L’usine Johnson & Johnson Santé Beauté France à Sézanne a mis en place très rapidement une détection posant classiquement des problèmes de fiabilité...
 

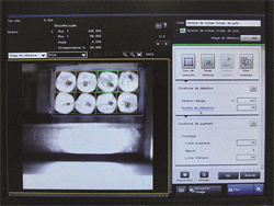
Le site, qui regroupe 220 personnes, fabrique des tampons hygiéniques, des coussinets d’allaitement et des pansements. Sur une de ses lignes d’emballage, la société a souhaité mettre en oeuvre un comptage de tampons par boîte. Ceux-ci sont chargés, puis dirigés sur une trémie pour être placés dans des boîtes préalablement ouverte à l’aide d’un guide. Les conditions de détection sont de nature à perturber un système de vision : premièrement, les tampons sont blancs et sont disposés sur un fond blanc. Deuxièmement, ils peuvent s’enchevêtrer légèrement, ce qui complique leur reconnaissance directe par la forme.

« Nous souhaitions fiabiliser cette détection à laquelle nous avions déjà eu affaire et qui pouvait poser des problèmes », explique Maxime Bara, du service Engineering au sein de Johnson & Johnson Santé Beauté France.

Le choix a été de réaliser une détection par identification des contours extérieurs des tampons. Cette méthode se révèle plus fiable, car elle s’affranchit des différences d’angles, d’orientation et de position des cibles.

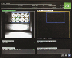
« Ce type de programmation n’est pas immédiat, mais avec le système de vision CV-X, c’est le jour et la nuit par rapport à ce que nous connaissions. Avant, nous avions des outils qui s’apparentaient à de la programmation pure. Avec la CV-X, le menu est très intuitif et surtout parfaitement explicite. La CV-X met à disposition une batterie de fonctions préprogrammées. Celles-ci sont très claires et on sait toujours ce que l’on fait. A aucun moment on se sent perdu dans la programmation », explique Maxime Bara.

La nouvelle Série CV-X a été conçue pour simplifier toutes les opérations complexes de mise en oeuvre d’un système de vision, en s’attachant à résoudre chacun des problèmes qui peuvent se poser aux utilisateurs finaux. Les menus sont compréhensibles par tous, les outils sont organisés par catégorie. Une fois sélectionnés, il suffit de suivre les étapes de paramétrage telles qu’elles sont proposées par le logiciel.

Une aide contextuelle permet de comprendre aisément chaque opération. Il en résulte une programmation plus rapide et plus fiable :

« Lors de la prise en main du système, j’ai pu réaliser mon premier programme en une heure. On a aussi la maîtrise totale des ajustements lorsqu’on teste le système en fonctionnement. Cela permet de fiabiliser la détection plus facilement. C’est notamment un problème que nous avions rencontré avec des offres concurrentes. Au total, il a fallu une journée complète pour concevoir les 5 programmes correspondant aux différents produits qui sont emballés », ajoute Maxime Bara.

Avec la Série CV-X, la reconnaissance de forme se réalise de manière stable et répétable quelle que soit la position des tampons. La haute résolution (5 millions de pixels) ne perturbe pas la vitesse en raison de la puissance du contrôleur et d’une nouvelle fonction de détection de forme par contours (ShapeTrax2), moins exigeante en capacité de calcul.

Grace à l’algorithme de prise d’image HDR de la CV-X : « Nous avons obtenu une détection fiable sans avoir eu à appliquer de filtres, ce qui est une grande première pour nous. La seule chose que nous ayons faite a été de mettre en place un éclairage à 45 degrés. En effet, avec un éclairage direct, nous aurions eu du mal à distinguer des produits blancs sur un fond blanc », précise Maxime Bara. « Avec ce nouveau système, il est simple de mettre en oeuvre des fonctions de contrôle complexes en toute simplicité sans l’aide d’un expert », conclut Maxime Bara.

La Série CV-X permet effectivement de simplifier considérablement la programmation de contrôles complexes pour lesquelles il fallait le plus souvent faire appel à un expert. La Série CV-X intègre aussi un nouveau module de mesures automatiques particulièrement simple ainsi que des outils pour générer automatiquement un manuel d’utilisation ou des IHM.

http://www.visionindus.fr/VINEWS

Suivez Industrie Mag sur le Web

 

Newsletter

Inscrivez-vous a la newsletter d'Industrie Mag pour recevoir, régulièrement, des nouvelles du site par courrier électronique.

Email: